您现在的位置:首页 > 设备展示 > 三丰产品系列 > 指示表
  • 指针式指示表2系列 2046s

    2020-06-09

    指针式指示表2系列 2046s

    下载查看更多详情
  • 详情
  • 产品特点:

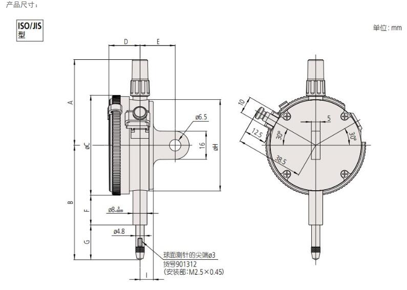
    指针式指示表标准型 , 0.001mm & 0.005mm 分度值
    •标准 0.001mm 和 0.005mm 分度值的指示表具有 ø57mm 外径的表圈。所有型号都有限值爪和锁紧装置。
    •锁紧装置和测杆提升杆 (选件) 可装在左侧或右侧,这些零件可轻易组装而不需要借助工具。
    •表圈和表蒙之间通过 O 型环很好地紧固粘着,起到防水防油的效果。
    •高强度淬火不锈钢表蒙,适于高强度测量。
    •硬质合金测针。
    •扇形齿轮使用特殊合金,提高了耐磨性。
    •指示表使用宝石轴承,提供高灵敏度地指示和耐用性。
    •表蒙的硬化涂层使其具有很高的抗划痕和抗化学腐蚀性。


收缩